Immobilizer Hell
Immobilizer Hell
How about my green key light started intermittently NOT working, the first 3 days the car wouldnt start on first attempt, 20-30 minutes later it started and was perfectly normal the rest of the day, after the third day, no start at all, the 4th day I didn't touch the car until that evening and it started and drove fine, after about 30 minutes or so of driving I noticed the green key light blinking *while driving* (This is when I started to find the real problem) then when I shut it off back home, no green blinking light on shut off, like normal, and no green light when I tried to start back, this is when I started realizing this is why it wasn't starting the first few days. So for the next few days about once a day I would get the green light and the car would start, this was always following about 12 hours of sitting and not touching the car, and I could even shut it off and start back, but again after about 30 minutes of running, I would shut down, no green light, no starting back, after 3 days of that, I now have no green light for the last week, I have been reading and researching non stop and I'm about to pull my hair out, any help would be much appreciated.
Re: 02 civic Key light not lightining
Im having the same problem with mine ,02 civic ex MT, car has been parked about 2 monthes now, the green key light does not light up, and the really weird part is that every once in a while it does, and when it does the car starts and runs perfect, it started going out slowly, I could get a green light and it would start about once a day, and at first i could shut it off and start it back many times with no problem, but the first time i got it started after the problem started, I noticed the green key light blinking while i was driving, and it had been running about an hour, then no green light until it had sat for about 12 hours, now it had sat over a week the last time i got it to start, but i cant shut it off at all and start back like i could when the problem first started, ive checked all fuses and every ground i can locate, im out of ideas so any suggestions would be helpful thanks
Re: 02 civic immobilizer removal?
Thats what I thought, thanks for the reply, mine has slowly went out over the last 2 monthes, I could get my green light to come on and the car would start about once a day for the first 2 weeks or so since the problem started but now its been 2 weeks and the green light wont come on at all, Ive read everything I can find about the immobilizer and its issues but I cant find a case thats exactly like mine. Im stuck
Re: 2004 Green flashing light after head gasket.
Where was that ground located??!? Im getting no green light at all which equals crank but no start. Ive checked everything I can think of so thanks in advance
Immobilizer RECALL!
Ive been on the verge of tearing my hair out for the last 2 monthes because Im having an issue unlike any other that Ive read about so far, my green key light is not coming on, started out as an intermittent problem and now it never comes on. Any help would be great but since this problem seems to be fairly common why is there not a recall, this isnt something that the owner can prevent with general maintenance, I loved my honda until this happened OUT OF NOWHERE and now Ill probably never own another one because of this... you really let me down on this Honda.
Re: Immobilizer RECALL!
I don't think this is as common as you think. I've owned or worked on ~10 seventh gen Civics and none of them have had immobilizer issues. I am also on this forum all the time and can't recall anyone else saying the immobilizer light wasn't coming on. Most of the time the immobilizer issues I see are due to loose alternator bolts, missing grounds on the engine, or people swapping ECUs/ignition switches without getting them programmed.
My car has ~304k miles on it and I've owned it for 9 years, never had an immobilizer issue.
My car has ~304k miles on it and I've owned it for 9 years, never had an immobilizer issue.
Re: 2004 Green flashing light after head gasket.
Ok yea Ive checked that one, Im at my wits end trying to get my green light to come on... I read one guy said he changed his evap cannister and made his green key light come back on
If you think a good mechanic is expensive, try hiring a bad one
Joined: Dec 2011
Posts: 32,017
Likes: 256
From: Midwest. Aiming about mid-chest
Rep Power: 519 










Re: Immobilizer RECALL!
Ive been on the verge of tearing my hair out for the last 2 monthes because Im having an issue unlike any other that Ive read about so far, my green key light is not coming on, started out as an intermittent problem and now it never comes on. Any help would be great but since this problem seems to be fairly common why is there not a recall, this isnt something that the owner can prevent with general maintenance, I loved my honda until this happened OUT OF NOWHERE and now Ill probably never own another one because of this... you really let me down on this Honda.
Immobilizer Hell
02 Civic Ex MT
My car has been parked almost 2 monthes now. It started out as an intermittent problem and now its consistent. No green key light on start up, at first after not touching the car for approx. 10 hours or so, the green light would come on and the car would start right up like nothing was wrong, I could shut it off and start back up multiple times until I let the car run for about 30 minutes or so, then when I shut it off the green light wouldnt blink like normal on shut down, and wouldnt come on on for 2 secs then go off like normal on start up, until I let it sit for 10 hours or so but after 5 or 6 days of that it didnt matter how long it sat, Im getting no green light no start. Ive checked all fuses inside and out, checked for loose or corroded ground wires, Im at a loss especially the way it was coming and going in the beginning. PLEASE HELP and also why is there no recall or a way to disable this crap on a 20 year old car, come on Honda...
My car has been parked almost 2 monthes now. It started out as an intermittent problem and now its consistent. No green key light on start up, at first after not touching the car for approx. 10 hours or so, the green light would come on and the car would start right up like nothing was wrong, I could shut it off and start back up multiple times until I let the car run for about 30 minutes or so, then when I shut it off the green light wouldnt blink like normal on shut down, and wouldnt come on on for 2 secs then go off like normal on start up, until I let it sit for 10 hours or so but after 5 or 6 days of that it didnt matter how long it sat, Im getting no green light no start. Ive checked all fuses inside and out, checked for loose or corroded ground wires, Im at a loss especially the way it was coming and going in the beginning. PLEASE HELP and also why is there no recall or a way to disable this crap on a 20 year old car, come on Honda...
Re: IS THE IGNITION IMMOBILIZER ON OUR CARS REALLY EFFECTIVE???
I hope one of you turds reads this, 18 years later and nobody on here or any site Ive checked has found a way to bypass the immobilizer, so if one of you guys really knows how to help me actually bypass it, let me know, Im not worried about anyone stealing my 18 year old civic, Ill rely on my key and my low crime rate city, thanks in advance if youre still alive lol
If you think a good mechanic is expensive, try hiring a bad one
Joined: Dec 2011
Posts: 32,017
Likes: 256
From: Midwest. Aiming about mid-chest
Rep Power: 519 










Re: Immobilizer RECALL!
If you can't fix it yourself, PAY someone who can.
Immobilizer systems have a very low failure rate IMHO, but I have fixed every one of them I have been tasked with fixing.
Re: Immobilizer RECALL!
Gee thanks for the encouragement, I never said anything about recalling every car, just seems like they would offer up some way to do away with it if the owner chooses to. I always do all my own work to my car and everyone in my family and neighborhood. I was looking for help and Ive seen both of you guys ezone and brotatochip give very detailed help and analysis of peoples problems on here instead I get smart mouth response that offers no help whatsoever and a pay someone to do it. Obviously if that was an option I wouldnt be worried about my 18 year old car enough to put this much time into trying to fix it to begin with. Just thought someone might have seen something like this before because most of the ones I read about involve the green key light flashing non stop instead of not coming on at all.. anyway thanks alot
Re: Immobilizer RECALL!
Moving all your posts into one thread.
When you reply to multiple threads (reviving a few dead ones) and then create two of your own threads all over the same issue we really lose interest in helping you.
What troubleshooting have you actually done so far? If the light isn't coming on you need to verify all the wiring to and from it for starters.
What troubleshooting have you actually done so far? If the light isn't coming on you need to verify all the wiring to and from it for starters.
The legs in the public bathroom stall
Joined: Mar 2015
Posts: 382
Likes: 6
From: MURICA
Rep Power: 143 










Re: Girlfriends car shakes pretty bad
I am also very curious about how to easily bypass immobilizer. I really want a car that I saw on the other side of town and nothing beats free.....Almost seems like an easily bypassed anti theft might have some serious flaws to its design.
Re: Immobilizer Hell
OP
Really taking it to Honda is the best route. Since they will definitely be able to test the key, immobilizer and ecu for faults. Quickly, since their scan tools also communicate with hondas proprietary anti theift software.
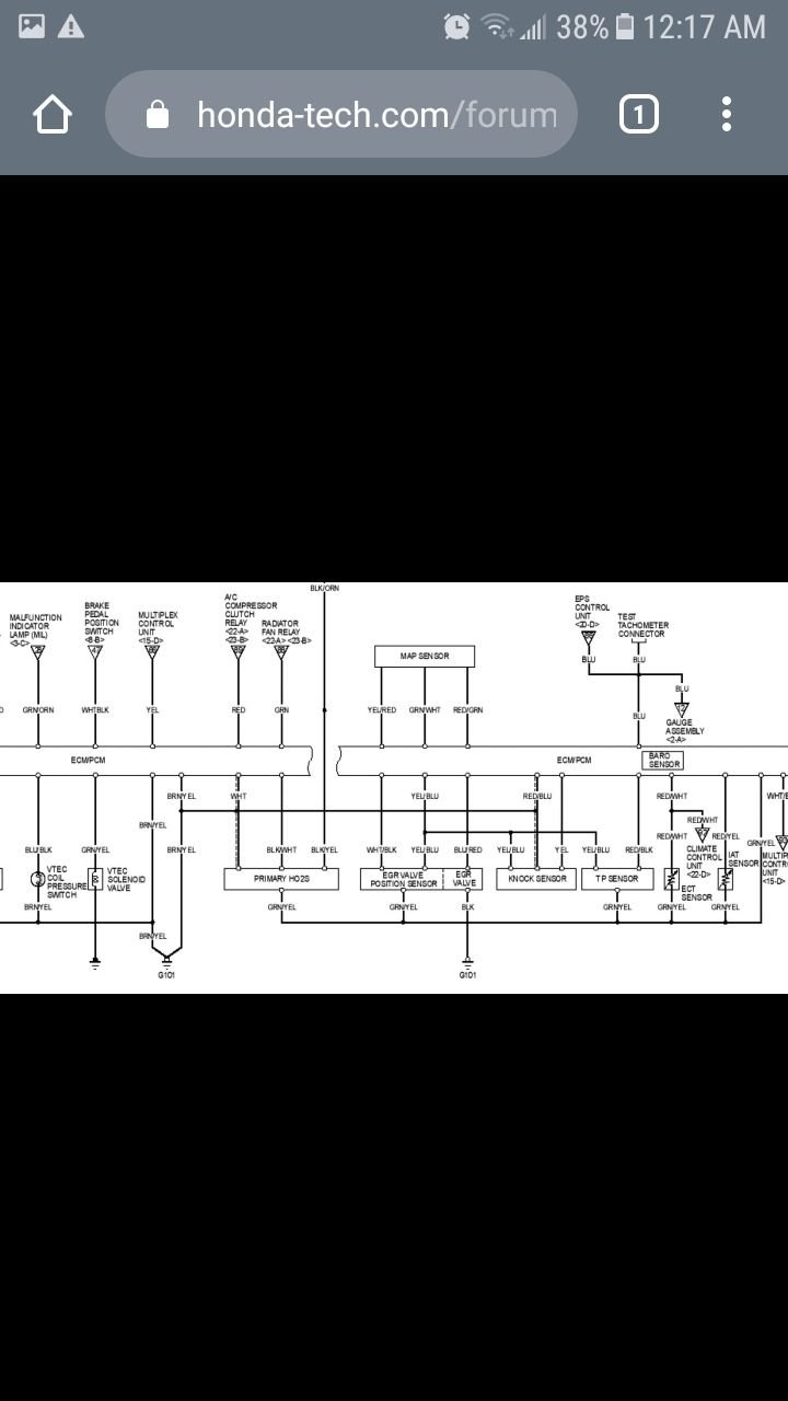
The only thing you would be able to do is check the connecting circuits between the components posted above. Things like fuses, grounds, relays and wiring.
you would need
-haynes manual
-test light
-multimeter
good luck
Really taking it to Honda is the best route. Since they will definitely be able to test the key, immobilizer and ecu for faults. Quickly, since their scan tools also communicate with hondas proprietary anti theift software.
The only thing you would be able to do is check the connecting circuits between the components posted above. Things like fuses, grounds, relays and wiring.
you would need
-haynes manual
-test light
-multimeter
good luck
Re: Immobilizer Hell
Mcnoople, There was a thread from 2002 around here somewhere that i commented on but it got moved, where 2 guys were saying they knew how to bypass the immobilizer but didnt want to put the information out there (less harmful 18 years later) but of course they didnt mention how and everything ive read says it cant be done, its the thread thats titled something like "The immobilizers on our cars, are they really that effective?"
Re: Immobilizer RECALL!
Any ideas why mine is not coming on? I feel like the way that it slowly crapped out should point to the cause but i sure as hell dont know what, which is why im asking here, the only thing that was out of the ordinary was that i ran it kinda low on gas the night before this all started, next morning it wouldnt start, i went and got some gas in a can came back put it in, started up, the next day it didnt start first try ,not low on gas this time, but then 30 minutes later it started up, fine for the rest of the day again, then the third day i couldnt get it to start at all, halfway through the fourth day i hadnt touched it all morning or afternoon , it starts right up, while im driving it i see the green light blink a few times, (this was the first ah ha moment that i started noticing the green light) when i get back, after it had been running about 45 minutes, no blinking green light on shut down, and no light on start up, and no start, after this was a week of it starting once a day, and restarting numerous times until i would run it for around 30 or 40 minutes, then no more green light, after a week of that, no more green light, except for 2 random times werks apart where it would start once and even if i shut it down immediately no green light, and now nothing for about 3 weeks
Joined: Dec 2008
Posts: 15,181
Likes: 1,607
From: TN
Rep Power: 368 










Re: Immobilizer Hell
at this point,
1- some wiring is fubar - chase it
2 - the electronic part taking care of the immobilizer is fubar - need new ECU
3- Key chip is fubar - need new key
4 - ignition sensor is fubar - need new igition
1- some wiring is fubar - chase it
2 - the electronic part taking care of the immobilizer is fubar - need new ECU
3- Key chip is fubar - need new key
4 - ignition sensor is fubar - need new igition
If you think a good mechanic is expensive, try hiring a bad one
Joined: Dec 2011
Posts: 32,017
Likes: 256
From: Midwest. Aiming about mid-chest
Rep Power: 519 










Re: Immobilizer Hell
When the trouble tree says to replace an immobi component with a known good part, those must be programmed before they will let the engine run. OP can't do that.
Thread
Thread Starter
Honda Civic Forum
Replies
Last Post
DRAZO11
Mechanical Problems/Vehicle Issues and Fix-it Forum
6
Dec 16, 2013 04:58 PM
SweetCosmicPope
Mechanical Problems/Vehicle Issues and Fix-it Forum
1
Oct 12, 2009 01:00 PM



