Customize your car Post here for any custom modifications you want to to to your car!

Wiring Diagram for exterior power mirrors?

Thread Tools
 
Search this Thread
 
Old Feb 15, 2023
  #1  
Mbiggz's Avatar
Thread Starter
Registered!!
 
Joined: Feb 2023
Posts: 1
Likes: 0
From: California
Rep Power: 0
Mbiggz is an unknown quantity at this point
Wiring Diagram for exterior power mirrors?

My model: 2012 Civic LX Coupe
I am replacing the passenger side mirror with a normal 2012 Civic LX mirror bc it got messed up thanks to a bush. Wasn't till I put it on and googled what I got that I realized I bought one that is heated, meaning the wiring connector is completely different than the one on the car. Since we don't have the original box anymore (we bought it a few months ago), we can't return it. So, my stepdad (an engineer who has way more experience in cars and electrical wiring than I do) said if I can find a wiring diagram for the original mirror, he can determine what each wire does and swap the connector of the old mirror onto the new one and just cut the wires that control the heating function since it isn't useable on my car. I tried looking online to no avail, with most diagrams being for other years and trims and others being paywalled. If anyone has a diagram for the mirrors on my model (and possibly the diagram for the heated mirror, too), then I would greatly appreciate it.

New Mirror cable attachment next to the port its supposed to go into

Old mirror (with cable attachment shown). We want to take the attachment off this one and put it on the new one so we don't have to order a new mirror.
Reply
Old Feb 16, 2023
  #2  
BrotatoChip's Avatar
Super Moderator
 
Joined: Jun 2012
Posts: 5,073
Likes: 2,096
From: Ohio
Rep Power: 224
BrotatoChip has much to be proud ofBrotatoChip has much to be proud ofBrotatoChip has much to be proud ofBrotatoChip has much to be proud ofBrotatoChip has much to be proud ofBrotatoChip has much to be proud ofBrotatoChip has much to be proud ofBrotatoChip has much to be proud ofBrotatoChip has much to be proud ofBrotatoChip has much to be proud ofBrotatoChip has much to be proud of
Re: Wiring Diagram for exterior power mirrors?

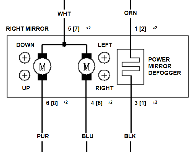
Below is what I could find. This is for the '06, so previous gen. They are usually pretty similar but it looks like wire colors aren't matching with what you have. I'm hoping pin locations are the same but you'll have to figure that out. From this schematics pin 4 on the new mirror should go to pin 3 in the old connector, pin 5 goes to pin 2, and pin 6 goes to pin 1. Pin 1 and 3 in the new mirror are for the heater and would be discarded.

Ignore the numbers in square brackets, those are for models with turn signals in the mirror.



Reply
Related Topics
Thread
Thread Starter
Honda Civic Forum
Replies
Last Post
Wesley02Si
Exterior
1
Dec 16, 2015 07:07 PM
94shadow
I.C.E. (Audio) & Electrical Upgrades
15
Aug 23, 2009 10:43 PM
cindylou97
I.C.E. (Audio) & Electrical Upgrades
1
Apr 8, 2009 02:55 PM
shifthis
I.C.E. (Audio) & Electrical Upgrades
12
Apr 16, 2005 10:32 AM
jr_01civic
General Honda Civic Forum Archive.
9
Mar 7, 2004 12:42 AM




All times are GMT -5. The time now is 09:17 PM.