Engine Post your engine related problems in this section. Engines will cover from Fuel, Engine, Cooling, Exhaust physical related items.

Odd spark plug tube seals [solved]

Thread Tools
 
Search this Thread
 
Old Dec 19, 2022
  #1  
beersnob11123's Avatar
Thread Starter
Registered!!
 
Joined: Nov 2022
Posts: 29
Likes: 6
Rep Power: 0
beersnob11123 is an unknown quantity at this point
Odd spark plug tube seals [solved]

'05 Civic Si, K20a3. Apparently, based on parts searches and youtube videos, I have some odd spark plug tube seals. They aren't just a doughnut-shaped ring. The holes in the valve cover have 2-3 of what I suppose you'd call flanges, so the main part of the seal probably looks like most of what I've seen from the under-side of the cover, but it has a thin rim that seats on a flange. Above that the seal wraps around that flange and has a ~8mm part that seats against the wall of the hole in the cover and ends at another thin flange inside the hole in the cover. The seals were brittle and leaking and were practically fused to the cover. Don't have a pic, but if you've seen it, you'll know what I'm talking about. Anybody know a part number or a how to video for installing these? Asking because online retailers' pics all just look black rings, which is 100% unhelpful.

I got replacements, which are total garbage (DNJ/Partsology) and unusable, since they get pushed off the cover rather than slide over the tubes. ("Meets or exceeds OEM" my a$$.)
Reply
Old Dec 20, 2022
  #2  
BrotatoChip's Avatar
Super Moderator
 
Joined: Jun 2012
Posts: 5,073
Likes: 2,096
From: Ohio
Rep Power: 224
BrotatoChip has much to be proud ofBrotatoChip has much to be proud ofBrotatoChip has much to be proud ofBrotatoChip has much to be proud ofBrotatoChip has much to be proud ofBrotatoChip has much to be proud ofBrotatoChip has much to be proud ofBrotatoChip has much to be proud ofBrotatoChip has much to be proud ofBrotatoChip has much to be proud ofBrotatoChip has much to be proud of
re: Odd spark plug tube seals [solved]

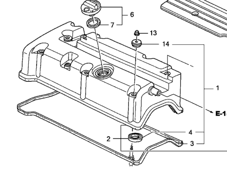
It sounds like you're talking about the valve cover seals/nuts and not the spark plug tube seals. The rubber and top ring come together as one part number. Item 14 in the below pic. Part number 90441-PNA-010. There are six holding the valve cover on.

Reply
Old Dec 20, 2022
  #3  
beersnob11123's Avatar
Thread Starter
Registered!!
 
Joined: Nov 2022
Posts: 29
Likes: 6
Rep Power: 0
beersnob11123 is an unknown quantity at this point
re: Odd spark plug tube seals [solved]

Nope. I mean the tube seals.
Reply
Old Dec 20, 2022
  #4  
sdaidoji's Avatar
PITA Admin
Administrator
iTrader: (1)
 
Joined: Dec 2008
Posts: 15,177
Likes: 1,605
From: TN
Rep Power: 367
sdaidoji has much to be proud ofsdaidoji has much to be proud ofsdaidoji has much to be proud ofsdaidoji has much to be proud ofsdaidoji has much to be proud ofsdaidoji has much to be proud ofsdaidoji has much to be proud ofsdaidoji has much to be proud ofsdaidoji has much to be proud ofsdaidoji has much to be proud ofsdaidoji has much to be proud of
re: Odd spark plug tube seals [solved]

do you have pics? Or a good explanation of what you are talking about? We can't see them from here
Reply
Old Dec 20, 2022
  #5  
BrotatoChip's Avatar
Super Moderator
 
Joined: Jun 2012
Posts: 5,073
Likes: 2,096
From: Ohio
Rep Power: 224
BrotatoChip has much to be proud ofBrotatoChip has much to be proud ofBrotatoChip has much to be proud ofBrotatoChip has much to be proud ofBrotatoChip has much to be proud ofBrotatoChip has much to be proud ofBrotatoChip has much to be proud ofBrotatoChip has much to be proud ofBrotatoChip has much to be proud ofBrotatoChip has much to be proud ofBrotatoChip has much to be proud of
re: Odd spark plug tube seals [solved]

The spark plug tube seals fit into the underside of the valve cover, item 4 in the picture. Part number 12342-PCX-004. I'm not really following your description at all so a picture would be helpful.



Reply
Old Dec 20, 2022
  #6  
beersnob11123's Avatar
Thread Starter
Registered!!
 
Joined: Nov 2022
Posts: 29
Likes: 6
Rep Power: 0
beersnob11123 is an unknown quantity at this point
re: Odd spark plug tube seals [solved]

Will get pic. The "odd" thing is that the cover doesn't and won't receive the tube seal in your pic. It takes some other wacky $#!7.
Reply
Old Dec 20, 2022
  #7  
beersnob11123's Avatar
Thread Starter
Registered!!
 
Joined: Nov 2022
Posts: 29
Likes: 6
Rep Power: 0
beersnob11123 is an unknown quantity at this point
re: Odd spark plug tube seals [solved]

Ok. I think I figured it out. The weird flange that I never see anywhere else is what's left of the old seals that, while not leaking, were totally brittle and disintegrated rather than be removed.


Reply
Old Dec 21, 2022
  #8  
BrotatoChip's Avatar
Super Moderator
 
Joined: Jun 2012
Posts: 5,073
Likes: 2,096
From: Ohio
Rep Power: 224
BrotatoChip has much to be proud ofBrotatoChip has much to be proud ofBrotatoChip has much to be proud ofBrotatoChip has much to be proud ofBrotatoChip has much to be proud ofBrotatoChip has much to be proud ofBrotatoChip has much to be proud ofBrotatoChip has much to be proud ofBrotatoChip has much to be proud ofBrotatoChip has much to be proud ofBrotatoChip has much to be proud of
Re: Odd spark plug tube seals

Originally Posted by beersnob11123
Ok. I think I figured it out. The weird flange that I never see anywhere else is what's left of the old seals that, while not leaking, were totally brittle and disintegrated rather than be removed.
You are correct.
Reply
Related Topics
Thread
Thread Starter
Honda Civic Forum
Replies
Last Post
lindylex
Mechanical Problems/Vehicle Issues and Fix-it Forum
5
Jun 20, 2019 12:44 PM
evanpienaar
Mechanical Problems/Vehicle Issues and Fix-it Forum
1
Feb 10, 2018 10:03 AM
2002-Civic-DX
7th Generation Civic 2001 - 2005
3
Jun 26, 2014 07:23 PM
TomKi
Parts and Products
6
Jun 20, 2014 10:10 PM




All times are GMT -5. The time now is 01:45 AM.