Interior Post your questions about interior parts here! Seats, consoles, etc

need help with part number AT shift knob 2016 EX-L coupe

Old Apr 29, 2022
  #1  
desertgirl's Avatar
Thread Starter
Registered!!
 
Joined: Nov 2018
Posts: 1
Likes: 0
Rep Power: 0
desertgirl is an unknown quantity at this point
need help with part number AT shift **** 2016 EX-L coupe

My bulldog ate my AT shift **** leather cover, lol

I’m having trouble finding the part number. I believe I have to replace the entire top. Appreciate any help.

Reply
Old Apr 29, 2022
  #2  
sdaidoji's Avatar
PITA Admin
Administrator
iTrader: (1)
 
Joined: Dec 2008
Posts: 15,176
Likes: 1,605
From: TN
Rep Power: 367
sdaidoji has much to be proud ofsdaidoji has much to be proud ofsdaidoji has much to be proud ofsdaidoji has much to be proud ofsdaidoji has much to be proud ofsdaidoji has much to be proud ofsdaidoji has much to be proud ofsdaidoji has much to be proud ofsdaidoji has much to be proud ofsdaidoji has much to be proud ofsdaidoji has much to be proud of
Re: need help with part number AT shift **** 2016 EX-L coupe

https://www.civicforums.com/forums/2...retailers.html
Reply
Old Apr 29, 2022
  #3  
BrotatoChip's Avatar
Super Moderator
 
Joined: Jun 2012
Posts: 5,073
Likes: 2,096
From: Ohio
Rep Power: 224
BrotatoChip has much to be proud ofBrotatoChip has much to be proud ofBrotatoChip has much to be proud ofBrotatoChip has much to be proud ofBrotatoChip has much to be proud ofBrotatoChip has much to be proud ofBrotatoChip has much to be proud ofBrotatoChip has much to be proud ofBrotatoChip has much to be proud ofBrotatoChip has much to be proud ofBrotatoChip has much to be proud of
Re: need help with part number AT shift **** 2016 EX-L coupe

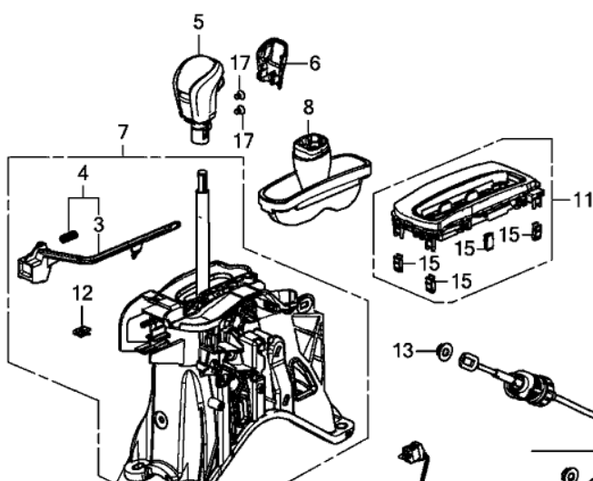
Take a look at the link previously posted. Honda part retailers have online catalogs you can look up parts. That is where I grabbed the below data.

Reference 5 is part 54130-TBA-L82ZA. This is interior color specific so make sure you're getting the correct one.
Reference 6 is part 54131-TBA-A81ZA. Again, interior color specific.
Reference 17 is part 93600-05008-0G. Not sure if you need these.

Reply
Related Topics
Thread
Thread Starter
Honda Civic Forum
Replies
Last Post
Eikichi
General Honda Civic Forum Archive.
17
May 19, 2004 07:04 PM
CvC-v01
General Automotive Discussion
1
Jan 16, 2004 11:14 PM
pothole
Parts and Products
8
Sep 17, 2002 02:38 PM
iGGySRiDe
General Honda Civic Forum Archive.
10
Jun 28, 2002 11:51 PM
chanpakto
General Honda Civic Forum Archive.
8
Feb 27, 2002 08:53 PM


Thread Tools
Search this Thread

All times are GMT -5. The time now is 09:46 PM.