HVAC Questions
If you think a good mechanic is expensive, try hiring a bad one
Joined: Dec 2011
Posts: 32,017
Likes: 256
From: Midwest. Aiming about mid-chest
Rep Power: 518 










Re: HVAC Questions
How to check?
All air that the fan blows must pass through the evap core before it goes to the heater box and ductwork, there is no cabin filter to catch debris.
Condenser and Evap are the only parts that are not new. Not sure why the seller chose not to replace the condenser at the time...aftermarkets are $50. I'm sure not as good as OEM but, probably better (less contaminated) than a 20 year old OEM.
Wash the condensor out as you wish... if it's in decent shape I'd hose it out with an ordinary garden hose sprayer aimed from the rear toward the front to push any trapped debris forward and out. (debris got trapped because it couldn't go all the way through, so it has to come out the same way it got in)
Thread Starter
OF top 99.5% creator (Formerly of the Puffinblunts variety)
Joined: May 2012
Posts: 3,634
Likes: 109
Rep Power: 210 










Re: HVAC Questions
Wash the condensor out as you wish... if it's in decent shape I'd hose it out with an ordinary garden hose sprayer aimed from the rear toward the front to push any trapped debris forward and out. (debris got trapped because it couldn't go all the way through, so it has to come out the same way it got in)
If you think a good mechanic is expensive, try hiring a bad one
Joined: Dec 2011
Posts: 32,017
Likes: 256
From: Midwest. Aiming about mid-chest
Rep Power: 518 










Re: HVAC Questions
Less chance of hitting the exhaust and burning yourself if the engine is cold though.
(The condensor gets hot while in use.)
Thread Starter
OF top 99.5% creator (Formerly of the Puffinblunts variety)
Joined: May 2012
Posts: 3,634
Likes: 109
Rep Power: 210 










Thread Starter
OF top 99.5% creator (Formerly of the Puffinblunts variety)
Joined: May 2012
Posts: 3,634
Likes: 109
Rep Power: 210 










Re: HVAC Questions
A/C seemed a bit colder (by feel) through vents on cold start compared to at operating temp. Infrared thermometer reading 48 degrees at a/c pipes. Adjusted heater valve but, seemingly (need vent thermometer) no change in vent temps. Heater valve cable was not mounted in perch clip (engine bay) so I mounted it and zip tied it for extra support. Now, the dash temp slider (temp control) switch stays locked in at both max heat and cool.. before there was some play and wouldn't stay put at max cold/hot temps selection. Cleaned condenser. Evaporator probably needs cleaning.
I drove it for an hour straight today (outside temp in mid 60's) and the compressor seemed to run normal and never shut off for an extended period.
I drove it for an hour straight today (outside temp in mid 60's) and the compressor seemed to run normal and never shut off for an extended period.
Last edited by Wankenstein; Feb 10, 2017 at 06:44 PM.
If you think a good mechanic is expensive, try hiring a bad one
Joined: Dec 2011
Posts: 32,017
Likes: 256
From: Midwest. Aiming about mid-chest
Rep Power: 518 










Re: HVAC Questions
Infrared thermometer reading 48 degrees at a/c pipes
outside temp in mid 60's
outside temp in mid 60's
Need real vent temps, but if the suction pipe is 48 at the firewall I'd suspect vents would be in the mid 50s.
(I have like 4 digital cooking thermometers from Walmart in my toolbox, great for AC work)
If you let the AC system run for a while (2000 rpm-ish if necessary), does the compressor EVER cycle off and on regularly?
If it's only in the 60s (ambient), that system should get cold enough to begin cycling the compressor (I'd expect) within just a couple minutes or less of turning it on.
Thread Starter
OF top 99.5% creator (Formerly of the Puffinblunts variety)
Joined: May 2012
Posts: 3,634
Likes: 109
Rep Power: 210 










Re: HVAC Questions
When a recyle, vac and refill is performed does it also suction out PAG oil?
If you think a good mechanic is expensive, try hiring a bad one
Joined: Dec 2011
Posts: 32,017
Likes: 256
From: Midwest. Aiming about mid-chest
Rep Power: 518 










Re: HVAC Questions
For a cooling capacity (max performance) evaluation the highest fan speed is used.
To see how cold the core might be, I may use lower or lowest fan speed. Slow air speed allows the air to spend the longest time passing through the 2 inch thick evap core and usually gives lowest vent temp readings. (This doesn't really work well until the entire car and hvac system has cooled down and become stable....and in the high heat of summer that could take a damn long time)`
Not a big deal right now, just saying.
One is probably plenty. Check a few on the shelf to make sure they all read about the same, don't pick the only one on the shelf that is screwed up LOL
That COULD be accurate. ??? Maybe the pipe reading is wrong:
Reflectivity throws off IR readings in a big way, if the pipe is bare aluminum it may be throwing the reading off on the IR gun. A few wraps of black tape or a shot of flat black spray paint can help sometimes.
Emissivity link: http://www.raytek.com/raytek/en-r0/i...ion/emissivity
This is why I suggested maybe the pipe temp reading might be inaccurate.
If it's really cycling the compressor, then the evap core temp I'd expect would be in the mid to upper 30s and the vent temp reading of high 30s might be accurate.
There is no specific time, it's all in however long it takes to reach and maintain a target temperature range.
Cycling is controlled by the thermostat that monitors the evaporator core temp. That will vary greatly with thermal load changes.
As I said earlier, core temp target range is gonna be just above freezing at the very lowest....typical off/on control temps might be something like the range of 36-39F. Vent temps usually end up only a little above that if all is working well and the system/car/interior/temps have been stabilized.
When a recyle, vac and refill is performed does it also suction out PAG oil? It CAN, but it would only pull whatever is already 'floating' in the system as a suspended, circulating mist along with the refrigerant, and that only occurs during operation.
If you let the system sit still for a while (off) the oil will eventually drop out of suspension and migrate to low areas by gravity. A freon recovery and vacuum can't extract oil that is pooled in the low areas of the system.
Most recovery machines will store any oil collected during the processes and spit that oil into a container so the operator can see it and measure the amount that needs to be replenished into the system.
To see how cold the core might be, I may use lower or lowest fan speed. Slow air speed allows the air to spend the longest time passing through the 2 inch thick evap core and usually gives lowest vent temp readings. (This doesn't really work well until the entire car and hvac system has cooled down and become stable....and in the high heat of summer that could take a damn long time)`
Not a big deal right now, just saying.
Will pick some up tomorrow morning and check.
I tried pointing the infrared thermometer at it but it was reading down to the 30's.
Reflectivity throws off IR readings in a big way, if the pipe is bare aluminum it may be throwing the reading off on the IR gun. A few wraps of black tape or a shot of flat black spray paint can help sometimes.
Emissivity link: http://www.raytek.com/raytek/en-r0/i...ion/emissivity
It seems to come on every few minutes when it was in idle.
If it's really cycling the compressor, then the evap core temp I'd expect would be in the mid to upper 30s and the vent temp reading of high 30s might be accurate.
Tomorrow I will make note of the times it cycles on at idle and at 2k rpms
Will check in the morning. At idle how many minutes apart should the compressor cycle if ambient temps are in 60's?
Will check in the morning. At idle how many minutes apart should the compressor cycle if ambient temps are in 60's?
Cycling is controlled by the thermostat that monitors the evaporator core temp. That will vary greatly with thermal load changes.
As I said earlier, core temp target range is gonna be just above freezing at the very lowest....typical off/on control temps might be something like the range of 36-39F. Vent temps usually end up only a little above that if all is working well and the system/car/interior/temps have been stabilized.
When a recyle, vac and refill is performed does it also suction out PAG oil?
If you let the system sit still for a while (off) the oil will eventually drop out of suspension and migrate to low areas by gravity. A freon recovery and vacuum can't extract oil that is pooled in the low areas of the system.
Most recovery machines will store any oil collected during the processes and spit that oil into a container so the operator can see it and measure the amount that needs to be replenished into the system.
Thread Starter
OF top 99.5% creator (Formerly of the Puffinblunts variety)
Joined: May 2012
Posts: 3,634
Likes: 109
Rep Power: 210 










Re: HVAC Questions
If the vent temps are in high 30's what would explain why the cabin doesn't feel as cold as other cars?
Thread Starter
OF top 99.5% creator (Formerly of the Puffinblunts variety)
Joined: May 2012
Posts: 3,634
Likes: 109
Rep Power: 210 










If you think a good mechanic is expensive, try hiring a bad one
Joined: Dec 2011
Posts: 32,017
Likes: 256
From: Midwest. Aiming about mid-chest
Rep Power: 518 










Re: HVAC Questions
So...compressor is cycling regularly during this?
If so, the AC thermostat could be out of calibration or skewed.
If so, the AC thermostat could be out of calibration or skewed.
Thread Starter
OF top 99.5% creator (Formerly of the Puffinblunts variety)
Joined: May 2012
Posts: 3,634
Likes: 109
Rep Power: 210 










Re: HVAC Questions
Well, I kept thermometer in vents while driving. Couldn't always hear when the compressor engaged. I can retest while parked if need be.
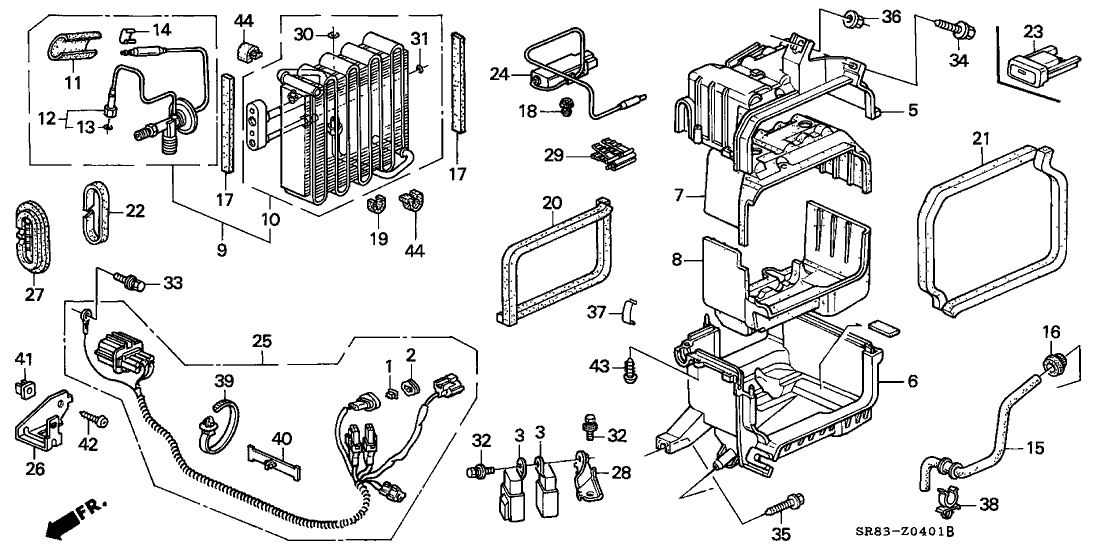
Wouldn't be surprised...most likely the original one.Part #24 in diagram?
Wouldn't be surprised...most likely the original one.Part #24 in diagram?
If you think a good mechanic is expensive, try hiring a bad one
Joined: Dec 2011
Posts: 32,017
Likes: 256
From: Midwest. Aiming about mid-chest
Rep Power: 518 










Re: HVAC Questions
(assuming the thermometer you chose is pretty quick to react to small changes....I know I can watch all the action on mine and tell when the compressor is running or not)
Looked up an actual spec on that AC stat....switch off temp is 37F, switch on temp is 39F. I think I guessed pretty close.
Wouldn't be surprised...most likely the original one.Part #24 in diagram?
OTOH if the system is still efficient then in the heat of summer it might still be blowing @ 49 deg---which might feel just fine after it gets stabilized.
My truck needs the same thermostat part but I don't want to mess with it LOL. It starts out getting cold enough but after driving about 10-15 minutes it loses the ability to turn the compressor back on....
Thread Starter
OF top 99.5% creator (Formerly of the Puffinblunts variety)
Joined: May 2012
Posts: 3,634
Likes: 109
Rep Power: 210 










Re: HVAC Questions
What is the function of the sensor that is part of the needle valve assembly?
Actually, the worst part of no a/c is during summer rains when the windshield and windows will fog and become a safety issue due to poor visibilty.
Last edited by Wankenstein; Feb 11, 2017 at 03:06 PM.
If you think a good mechanic is expensive, try hiring a bad one
Joined: Dec 2011
Posts: 32,017
Likes: 256
From: Midwest. Aiming about mid-chest
Rep Power: 518 










Re: HVAC Questions
Hard to find new as well. All the OEM sites I've checked are listing part as out-of-stock.
What is the function of the sensor that is part of the needle valve assembly?
https://en.wikipedia.org/wiki/Thermal_expansion_valve
The AC thermostat is a different part, it is not exposed to refrigerant. All it does is measure the temp of the core and control the compressor off and on accordingly.
Would that statement fall inline with what the mechanic told me?: "During summer the outside warm/hot temps will make the high side work harder and lower a/c cooling temps."
During a high heat load it might not even reach that temp...which would also be normal.
When your ambient reaches 102F and 97% humidity, anything remotely cooler and drier than the outside air still gonna feel a lot better than the outside air. (this is also when the recirculate function is needed the most)
Actually, the worst part of no a/c is during summer rains when the windshield and windows will fog and become a safety issue due to poor visibilty.
I grew up with cars that had NO AC ---and usually a black vinyl interior LOL...180+ interior temperature is common sitting in the sun with the windows rolled up (hand cranked windows of course)
--
Back when that 95 Civic was new, dealers could order much of their new car inventory without AC from the factory, and techs could be kept busy installing AC systems all day. (Would have to do some checking but I bet only the higher trims came with AC as standard equipment back then.)
Doesn't seem to ever happen anymore now, AC is pretty much standard across the board in this country.
Thread Starter
OF top 99.5% creator (Formerly of the Puffinblunts variety)
Joined: May 2012
Posts: 3,634
Likes: 109
Rep Power: 210 










Re: HVAC Questions
Yes. The system only cools while the compressor is running. System cycles the compressor off and on (via the AC thermostat) to maintain the desired temperature range of 37-39 in the evap core.
Pic is an expansion valve (or TXV). It regulates refrigerant flow into the evaporator core to maintain a certain amount of liquid state change (evaporation) within the core.
The AC thermostat is a different part, it is not exposed to refrigerant. All it does is measure the temp of the core and control the compressor off and on accordingly.
Sort of, but not at all. As long as the thermostat is cycling the compressor off at 49, that's as low as it will ever get. During a high heat load it might not even reach that temp...which would also be normal.
When your ambient reaches 102F and 97% humidity, anything remotely cooler and drier than the outside air still gonna feel a lot better than the outside air. (this is also when the recirculate function is needed the most)
Pic is an expansion valve (or TXV). It regulates refrigerant flow into the evaporator core to maintain a certain amount of liquid state change (evaporation) within the core.
The AC thermostat is a different part, it is not exposed to refrigerant. All it does is measure the temp of the core and control the compressor off and on accordingly.
Sort of, but not at all. As long as the thermostat is cycling the compressor off at 49, that's as low as it will ever get. During a high heat load it might not even reach that temp...which would also be normal.
When your ambient reaches 102F and 97% humidity, anything remotely cooler and drier than the outside air still gonna feel a lot better than the outside air. (this is also when the recirculate function is needed the most)
The next time I make a junk yard run for a few parts I might try pulling an evap temp sensor (depending on difficulty). I also plan to spray evap coils with HVAC cleaning foam and pump sprayer. Will attach a shop vac to a/c drain tube to prevent clogging.
Posting this read about evap temp sensor symptoms in case anyone references this in the future:
https://www.yourmechanic.com/article...-sensor-switch
Last edited by Wankenstein; Feb 12, 2017 at 06:44 AM.
Thread Starter
OF top 99.5% creator (Formerly of the Puffinblunts variety)
Joined: May 2012
Posts: 3,634
Likes: 109
Rep Power: 210 










Re: HVAC Questions
Well, 80 degrees outside today and a/c compressor wouldn't turn on during my ride home from work. Tried several times still wouldn't engage. Pressed on compressor clutch coil for possible air gap issue and it made no difference. Felt heater pipe between firewall and heater valve and it is very hot with dash slider temp control on max cold. At dead cold I think i am going to disconnect the heater valve and look inside and feel to see exactly when it's fully closed.
I plan on pulling the HVAC control unit and resoldering a few points to rule that out. Possible an intermittent condenser fan?
I plan on pulling the HVAC control unit and resoldering a few points to rule that out. Possible an intermittent condenser fan?
If you think a good mechanic is expensive, try hiring a bad one
Joined: Dec 2011
Posts: 32,017
Likes: 256
From: Midwest. Aiming about mid-chest
Rep Power: 518 










Re: HVAC Questions
and a/c compressor wouldn't turn on
Tried several times still wouldn't engage
Tried several times still wouldn't engage
Pressed on compressor clutch coil for possible air gap issue and it made no difference. Felt heater pipe between firewall and heater valve and it is very hot with dash slider temp control on max cold.
I plan on pulling the HVAC control unit and resoldering a few points to rule that out.
Possible an intermittent condenser fan?
the heater valve and look inside
Thread Starter
OF top 99.5% creator (Formerly of the Puffinblunts variety)
Joined: May 2012
Posts: 3,634
Likes: 109
Rep Power: 210 










Re: HVAC Questions
Okay.
I posted this issue on HT also (for additional insite) and here's one of the replies:
"I re-read all your posts and I'm leaning toward a bad solder joint on the AC button circuit inside the HVAC control. Especially if it only fails to come on when it's warmer outside. If you were experiencing pressure problems, the unit would still kick on if only for a moment.
If you don't want to remove the AC control to test & replace, there is a relatively simple test you can do. When it's acting up, remove your glove box. Then un-plug the 3-pin connector on the AC thermostat. Now start the engine. If your 95 is the same as my 94, you can use a wire attached anywhere to the body of the car to ground the pin on the wire harness attached to the YEL/WHT wire. Grounding this pin will bypass the AC Thermostat, AC button and Blower Fan signals completely. If the rest of your system is functioning correctly, your AC compressor and condenser fan should immediately switch on.
If the AC still doesn't kick on, you know the AC button, Blower fan switch, and AC thermostat switch are all good. If it does come on, then you know it's one of those 3 items causing your problem."
Other replies there are also mentioning the evap temp sensor as a suspect.
Fail-safe...as the compressor won't engage when condensor fan doesn't turn on. Unless I am wrong?
I will put the front end up on jacks and replace the generic (green) coolant with Pentofrost A3 (blue). Will burp coolant as best as I can..heater on max/fan off.
Last edited by Wankenstein; Feb 12, 2017 at 08:13 PM.
If you think a good mechanic is expensive, try hiring a bad one
Joined: Dec 2011
Posts: 32,017
Likes: 256
From: Midwest. Aiming about mid-chest
Rep Power: 518 










Re: HVAC Questions
I'm leaning toward a bad solder joint on the AC button circuit inside the HVAC control. Especially if it only fails to come on when it's warmer outside. If you were experiencing pressure problems, the unit would still kick on if only for a moment.
Fail-safe...as the compressor won't engage when condensor fan doesn't turn on. Unless I am wrong?
The system only turns on a relay that's supposed to run the fan. The system has no clue (electrically) if the condensor fan actually works or not.
Grounding this pin will bypass the AC Thermostat, AC button and Blower Fan signals completely. If the rest of your system is functioning correctly, your AC compressor and condenser fan should immediately switch on.
If the AC still doesn't kick on, you know the AC button, Blower fan switch, and AC thermostat switch are all good.
If you ground the mentioned wire at the AC stat and the system does not kick on, you only proved there is still a problem other than the stat/switch/control panel.
There's more to the system than just the items listed, as well.
If it does come on, then you know it's one of those 3 items causing your problem."
You can have more than one single problem too.
Yours is kinda sounding like it may have two: ac thermostat inaccurate, and the control panel quits (maybe when the interior is hot?)
If you're checking at wires in the ac thermostat connector.....if you know how to check for a lack of ground (is ground present or not?),
the blue/red wire is supposed to become grounded when the AC button on the panel is on and lit up (blower on any speed, ignition on, yadda yadda... If that ground is missing, the stat can't work--therefore the ac system can't run.
Thread Starter
OF top 99.5% creator (Formerly of the Puffinblunts variety)
Joined: May 2012
Posts: 3,634
Likes: 109
Rep Power: 210 










Re: HVAC Questions
Okay. Thanks for the clarification.
If you're checking at wires in the ac thermostat connector.....if you know how to check for a lack of ground (is ground present or not?),the blue/red wire is supposed to become grounded when the AC button on the panel is on and lit up (blower on any speed, ignition on, yadda yadda... If that ground is missing, the stat can't work--therefore the ac system can't run.
Should I use a test wire (alligator clips) from the negative side of battery to the blue/red wire if compressor doesn't engage or am i way off base?
If you think a good mechanic is expensive, try hiring a bad one
Joined: Dec 2011
Posts: 32,017
Likes: 256
From: Midwest. Aiming about mid-chest
Rep Power: 518 










Re: HVAC Questions
I will locate the blue/red wire and manipulate it to see if it effects the compressor (ground break).
No manipulation.
Just TEST it with a meter or light.
The wire is supposed to become grounded when the ac switch on the panel is on.
If it's not grounded, go for pulling the control panel out.
If you think a good mechanic is expensive, try hiring a bad one
Joined: Dec 2011
Posts: 32,017
Likes: 256
From: Midwest. Aiming about mid-chest
Rep Power: 518 










Re: HVAC Questions
Do you know if a 6th gen evap sensor is the same as the 5th gen?
Thread Starter
OF top 99.5% creator (Formerly of the Puffinblunts variety)
Joined: May 2012
Posts: 3,634
Likes: 109
Rep Power: 210 










Re: HVAC Questions
Another reply from same member at HT:
(copy/pasted) "FYI: That YEL/WHT wire I mentioned is the signal wire from the ECU. The ECU supplies 5 volts along this wire. In normal operation, the signal wire follows this path....
ECU +5v ---------> Pressure Switch ---------> Thermostat ---------> AC Button ---------> Blower Fan Switch ---------> Ground
For the system to come on, all 4 of those switches have to be functioning correctly, closed, and all the connections between them must be good.
While you are in there trying to ground the YEL/WHT wire, go ahead and make sure it has 5 volts first. If it doesn't then there may be a problem with system pressure (pressure switch is open), a problem with the pressure switch (broken), a problem with the ECU (no 5v supply at that pin) or a problem with the wiring or connections in between.
I found a related thread: http://www.justanswer.com/honda/3n62...r-replace.html
(copy/pasted) "FYI: That YEL/WHT wire I mentioned is the signal wire from the ECU. The ECU supplies 5 volts along this wire. In normal operation, the signal wire follows this path....
ECU +5v ---------> Pressure Switch ---------> Thermostat ---------> AC Button ---------> Blower Fan Switch ---------> Ground
For the system to come on, all 4 of those switches have to be functioning correctly, closed, and all the connections between them must be good.
While you are in there trying to ground the YEL/WHT wire, go ahead and make sure it has 5 volts first. If it doesn't then there may be a problem with system pressure (pressure switch is open), a problem with the pressure switch (broken), a problem with the ECU (no 5v supply at that pin) or a problem with the wiring or connections in between.
I found a related thread: http://www.justanswer.com/honda/3n62...r-replace.html
Last edited by Wankenstein; Feb 13, 2017 at 03:30 PM.
If you think a good mechanic is expensive, try hiring a bad one
Joined: Dec 2011
Posts: 32,017
Likes: 256
From: Midwest. Aiming about mid-chest
Rep Power: 518 










Re: HVAC Questions
If you can get a wiring diagram, you might be able to see how this should work.
Yes the 5v is going to come from the PCM, but that how the PCM works (most stuff operates between 0-5v).
It's the "AC request" input.
Once that "request" line becomes grounded (HVAC system requests AC operation), the PCM will take a look around, make sure nothing is out of line (engine is not overheating, etc.) and if all is good to go it will start the process to operate the compressor clutch relay.
The condensor fan relay is in line between the AC thermostat and the pressure switch, so if the condensor fan was not running at that time the ac was not working (as you said) that would have to mean the problem was "before" that part....meaning the condensor fan relay did not receive the ground signal from the AC thermostat, hvac panel, etc.
Forget it.
Right now, you don't really need to care about the electrical theory. If you ground that yellow/white wire--- the compressor should kick on.....but you have to wait until the system is broken to do the check.
When it does kick on, you still have to do more backtracking to reach the root of the problem. Then you go to the other wire I said and determine if it is grounded or not. If not.....that leads to a control panel problem.
Yes the 5v is going to come from the PCM, but that how the PCM works (most stuff operates between 0-5v).
It's the "AC request" input.
Once that "request" line becomes grounded (HVAC system requests AC operation), the PCM will take a look around, make sure nothing is out of line (engine is not overheating, etc.) and if all is good to go it will start the process to operate the compressor clutch relay.
The condensor fan relay is in line between the AC thermostat and the pressure switch, so if the condensor fan was not running at that time the ac was not working (as you said) that would have to mean the problem was "before" that part....meaning the condensor fan relay did not receive the ground signal from the AC thermostat, hvac panel, etc.
Forget it.
Right now, you don't really need to care about the electrical theory. If you ground that yellow/white wire--- the compressor should kick on.....but you have to wait until the system is broken to do the check.
When it does kick on, you still have to do more backtracking to reach the root of the problem. Then you go to the other wire I said and determine if it is grounded or not. If not.....that leads to a control panel problem.
Thread Starter
OF top 99.5% creator (Formerly of the Puffinblunts variety)
Joined: May 2012
Posts: 3,634
Likes: 109
Rep Power: 210 










Re: HVAC Questions
I probably will but, that's good info. Helps divide the system to narrow down the problem(s).
Right now, you don't really need to care about the electrical theory. If you ground that yellow/white wire--- the compressor should kick on.....but you have to wait until the system is broken to do the check.
When it does kick on, you still have to do more backtracking to reach the root of the problem. Then you go to the other wire I said and determine if it is grounded or not. If not.....that leads to a control panel problem.
When it does kick on, you still have to do more backtracking to reach the root of the problem. Then you go to the other wire I said and determine if it is grounded or not. If not.....that leads to a control panel problem.
Found this evap temp sensor ('96-'98): http://parts.jimwhitehonda.com/p/Hon...wd=&origin=pla
Last edited by Wankenstein; Feb 14, 2017 at 07:17 AM.
If you think a good mechanic is expensive, try hiring a bad one
Joined: Dec 2011
Posts: 32,017
Likes: 256
From: Midwest. Aiming about mid-chest
Rep Power: 518 










Re: HVAC Questions
If you think a good mechanic is expensive, try hiring a bad one
Joined: Dec 2011
Posts: 32,017
Likes: 256
From: Midwest. Aiming about mid-chest
Rep Power: 518 










Re: HVAC Questions
Found this evap temp sensor ('96-'98): http://parts.jimwhitehonda.com/p/Hon...wd=&origin=pla
Sending another PM in a few


